Aufbauen der Binäruhr
Abschlussbedingungen
Jetzt wo alle allgemeinen Informationen geklärt sind, kann mit dem eigentlichen Aufbau begonnen werden. Zum leichteren Nachvollziehen, ist am Ende noch einmal der gesamte Schaltplan der Uhr dargestellt.
Einbau RTC
| Um die RTC verwenden zu können, müssen wir diese mit dem ESP32 verbinden. Das RTC-Modul hat die Anschlüsse 32K, SQW, SCL, SDA, VCC und GND. Die Anschlüsse 32K und SQW können wir ignorieren, da wir diese für die Binäruhr nicht benötigen. Die restlichen Anschlüsse werden so verkabelt:
|
![]() Abbildung 1: RTC-Anschlüsse Quelle: BBS 2 Wolfsburg |
Einbau LEDs
|
Nun, da die RTC angeschlossen ist, müssen lediglich die LEDs angeschlossen werden. Für das Verkabeln der LEDs werden 220 Ω Widerstände verwendet. Die genaue Verkabelung kann bei dem Kurs: Projekt 1: T1-Electric nachgeguckt werden. Im Allgemeinen ist die verwendete Farbe der LEDs relativ egal, allerdings sollten übersichtlichkeitshalber die LEDs in Stunden und Minuten gruppiert werden, im verwendeten Beispiel werden für die Stunden-LEDs die Roten und für die Minuten die Blauen verwendet. Um das Verbinden der LEDs mit den Pins leichter zu gestalten, werden hier einmal die genauen Pins mit Hilfe eines Bildes gezeigt. Von oben nach unten sind die Pins:
|
![]() Abbildung 2: Ordnung der LEDs am Breadboard Quelle: BBS 2 Wolfsburg |
Für die genaue Verkabelung ist hier einmal der dazugehörige Verkabelungsplan:

Abbildung 3: Steckplan
Quelle: BBS 2 Wolfsburg
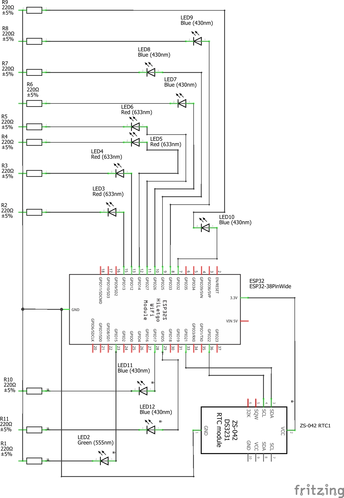
Und hier ist der Schaltplan:

Abbildung 4: Schaltplan
Quelle: BBS 2 Wolfsburg
Zuletzt geändert: Donnerstag, 1. Februar 2024, 11:47

