Durchführung
Einleitung
Hier eine einfache Anleitung für die Installation eines nicht smarten Lüfters sowie die Einbindung in Home Assistant und die Automatisierung mithilfe eines Bewegungsmelders.
Schritt 1: Vorbereitung
- Materialien bereitstellen: Automatisierungssteuerung (z.B. Homematic IP Schaltaktor), Verkabelung, Sicherungen, Lüftungsgerät.

Quelle: BBS 2 Wolfsburg
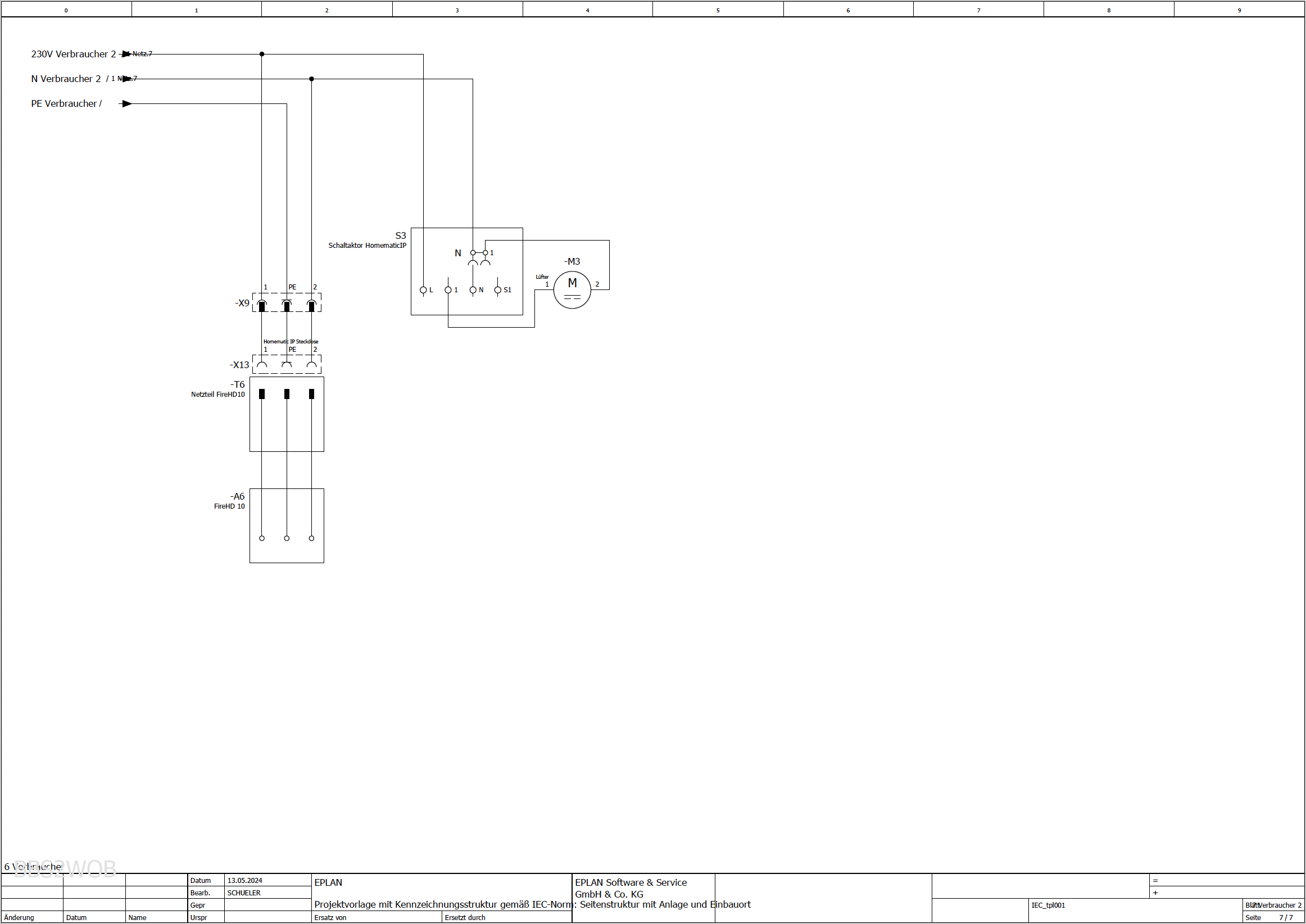
- Schaltplan erstellen: Skizzieren Sie den Verdrahtungsplan, um eine klare Übersicht zu haben um keine Fehler bei der Verdrahtung einzubauen.

Quelle: BBS 2 Wolfsburg
Schritt 2: Sicherungen installieren
- Sicherungen montieren: Installieren Sie die Sicherungen (F4) gemäß den Spezifikationen im Verteilerkasten.
- Verdrahtung anschließen: Verbinden Sie die Leitungen mit den entsprechend Klemmen (X8).

Quelle: BBS 2 Wolfsburg
Schritt 3: Lüftungsgerät anschließen
- Gerät positionieren: Platzieren Sie das Lüftungsgerät an der vorgesehenen Stelle.
- Kabel verbinden: Verbinden Sie das Lüftungsgerät mit den vorbereiteten Kabeln.

Quelle: BBS 2 Wolfsburg

Quelle: BBS 2 Wolfsburg
Schritt 4: Automatisierung einrichten
- Schaltaktor konfigurieren: Richten Sie den Homematic IP Schaltaktor ein, um die Lüftung zu steuern.
- Testlauf durchführen: Führen Sie einen Testlauf durch, um sicherzustellen, dass die Lüftung korrekt funktioniert und sich über das Smart Home-System steuern lässt.
- Automationen erstellen: Erstellen Sie die für Sie passenden Automationen welche z.B. durch den Bewegungsmelder von Homematic IP ausgelöst werden.
Schritt 5: Abschluss
- Dokumentation: Notieren Sie alle Verbindungen und Einstellungen für zukünftige Erweiterungen oder Reparaturen.
- Sicherung: Stellen Sie sicher, dass alle Verbindungen sicher und gut isoliert sind.
Fazit
Die Installation einer automatisierten Lüftung erhöht den Komfort und die Energieeffizienz Ihres Smart Homes. Folgen Sie dieser Anleitung sorgfältig, um eine sichere und effektive Implementierung zu gewährleisten.