Planungsphase
Projektübergreifend
Gegebenenfalls soll zu Beginn der Planungsphase in der zuvor erstellten Microsoft Teams-Gruppe ein Taskboard angelegt werden, um die Projektmanagementprozesse zu optimieren. Jeder Teilnehmer trug seine Aufgaben und Fortschritte dort ein, was mir half, den Überblick über den Projektstatus zu wahren und die anstehenden Schritte effizient zu verfolgen. Das Taskboard erleichterte auch die Aufteilung der Aufgaben im Team.
Zeitplanung, Materialliste, Stückliste
Um das Projekt so nah wie möglich an dem Ursprungsprojekt zu richten, wird empfohlen sich an dem folgenden Zeitplan, der Materialliste und der Liste der benötigten Werkzeuge zu halten.
Tabelle 2: Zeitplan

Tabelle 3: Materialliste

Tabelle 4: Werkzeug-, Prüfmittel-, Softwareliste


Schaltplan
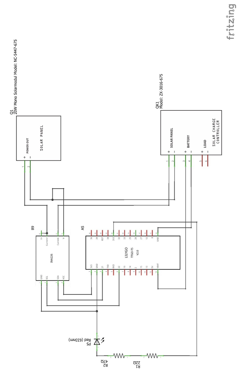
Der Schaltplan für den ESP32 mit der Software Fritzing visualisiert die Verkabelung und Komponentenanordnung und Integrierierung des INA226 Sensor. Bei der Verdrahtung wurde sich für eine stromrichtige Messmethode entschieden, da diese Methode eine genauere Strommessungen und minimierte Spannungsabfälle erlaubte, was die Leistung des Solarpanels effektiver überwachte.

Abbildung 2: Schaltplan Steckplanansicht

Abbildung 3: Schaltplan Steckplanansicht
Kostenkalkulation
Zudem soll eine Kostenkalkulation basierend auf dem Zeitplan und der Materialliste durchgeführt werden, um das Budget zu überwachen und finanzielle Überschreitungen zu vermeiden.
Tabelle 5: Beispiel Kostenkalkulation

Prüfprotokoll
Abschließend soll ein Prüfprotokoll vorbereitet und gestaltet werden, das alle notwendigen Tests umfasst und in der abschließenden Projektphase eingesetzt kann. Dieses Protokoll wird gestaltet, um die Funktionalität und Leistung des Systems sicherzustellen.