Wallboxen
Planung der Wallbox-Halterung
Für die Planung der Wallbox-Halterung wurde die Elli-Wallbox vermessen und mit diesen Daten ein Entwurf für eine Halterung entworfen, wobei ausreichend Platz für die LED-Leiste berücksichtigt wurde.
Erstellung der Schaltpläne
Zur Erstellung der Schaltpläne wurde die Software EPLAN Education verwendet. Bei der Erstel-
lung wurden die bisherigen Erfahrungen, die DIN 18015-1 Elektrische Anlagen in Wohngebäuden - Teil 1: Planungsgrundlagen, die Symbole nach der Norm DIN EN 60617 Graphische Symbole für Schaltpläne sowie die Norm DIN VDE 0298-4 für die Auswahl der Leiterquerschnitte verwendet.

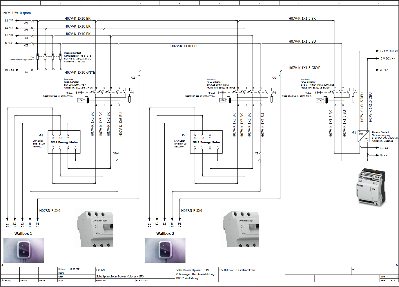
Abbildung: Schaltplan Seite 5, BBS ll Wolfsburg

Abbildung: Schaltplan Seite 6, BBS ll Wolfsburg

Abbildung: Schaltplan Ausschnitt Seite 7, BBS ll Wolfsburg
https://xplore-dna.net/pluginfile.php/24463/mod_page/content/16/Wallboxsteuerung_Schaltplan.pdf
Erstellung einer Stückliste


Abbildung: Stückliste, BBS ll Wolfsburg
Erstellung einer Werkzeugliste

Abbildung: Werkzeugliste, BBS ll Wolfsburg
Erstellung einer Prüfmittelliste

Abbildung: Prüfmittelliste, BBS ll Wolfsburg
Erstellung eines Inbetriebnahme-, Funktions- und Übergabeprotokolls
Die Erstellung des Inbetriebnahme-, Funktions- und ¨Ubergabeprotokolls wurde auf Grundlage der Normen
• DIN VDE 0100-600 Errichten von Niederspannungsanlagen - Teil 6: Prüfungen
• VDE DIN 0100-722 Anforderungen f¨ur Betriebsstätten, Räume und Anlagen beson-
derer Art – Stromversorgung von Elektrofahrzeugen
• DIN EN IEC 61851-1 (VDE 0122-1) Konduktive Ladesysteme für Elektrofahrzeuge
• DIN VDE 0100-410 (IEC 60364-4-41) Errichten von Niederspannungsanlagen Teil
4-41: Schutzmaßnahmen – Schutz gegen elektrischen Schlag
durchgeführt und dient dem strukturierten Ablauf der Anlagenprüfung ebenso wie der Gewährleistung der Einhaltung der gängigen Vorschriften und Normen welche die Zuverlässigkeit der Anlage sicherstellen sollen. Gemäß dem mit dem Auftraggeber definierten Umfang des Auftrages wurde die Funktionskontrolle mit anschließender Übergabe festgehalten.